8 800 700 10 13

Прайс
По вашему запросу ничего не нашлось :(
Очистить результаты
@        463535@LIST.RU

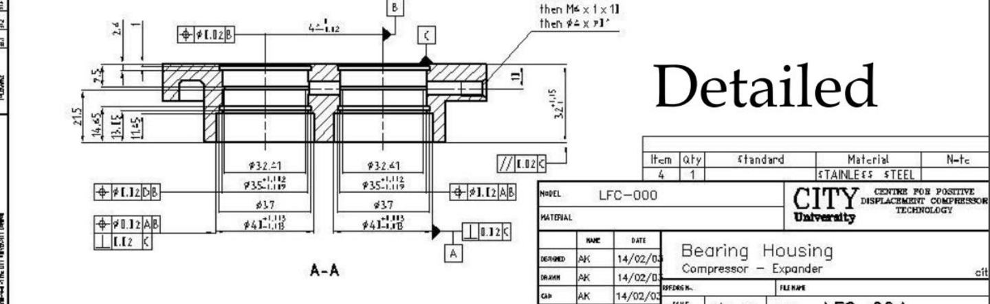
Комплексный многоэтапный процесс, требующий глубокого понимания как особенности исходной документации, так и российской нормативной базы (ЕСКД, ГОСТ).

ОТВЕТСТВЕНОСТЬ ЗА ВСЕ РАБОТЫ

АДАПТАЦИЯ ЗАРУБЕЖНОЙ КД К СТАНДАРТАМ РФ

Процесс включает трансляцию содержания, переформатирование в соответствии с Единой системой конструкторской документации (ЕСКД), проведение нормоконтроля и прохождение государственной экспертизы.

Ключевые вызовы включают различия в системах проектирования, метрических стандартах и нормативных требованиях.

Типовая адаптация занимает 2–4 месяца и требует участия квалифицированных инженеров, технических переводчиков и специалистов по нормоконтролю.

ЗАДАТЬ ВОПРОС
Мы вам перезвоним!
Нужна консультация? Оставьте свой контакт, мы с вами свяжемся и ответим на вопросы!

Высокоточное изготовление тел вращения любой сложности

4 мин

КАК ПРАВИЛЬНО
ВЫБРАТЬ ПОСТАВЩИКА

Высокоточное изготовление тел вращения любой сложности

5 мин

СДЕЛАНО НАШИМИ РУКАМИ

ПОЧЕМУ ПОКУПАЮТ

У НАС

Высокоточное изготовление тел вращения любой сложности

5 мин

ПОЛЕЗНАЯ ИНФОРМАЦИЯ

ГОСТы

Технологии обработки металла

ГОСТ

СТАТЬИ ДЛЯ ВАС

Главная
О компании
Вакансии
Контакты
Доставка
Гарантия
Сделано нашими руками
Новости
ГОСТы и литература
Полезные статьи
8 800 700 10 13
463535@LIST.RU